1. 抖阴免费看污视频,抖阴视频成年人,抖阴成年人短视频,抖阴短视频黄APP下载网站

    抖阴免费看污视频机械 > 产品中心 > 矿用筛分输送设备 >
    单轴振动筛

    单轴振动筛

    热销

    【进料粒度】:≤100mm

    【生产能力】:≤1000t/h

    【应用范围】:煤炭、矿山、建材轻工、化工等行业

    【产品介绍】:单轴振动筛层数有单层和双层,专门针对中细粒物料的分级,单轴筛运动轨迹 为圆,具有结构简单、维修方便、作业可靠的优点。

    单轴振动筛

           单轴振动筛是一种可使物料呈圆形运动轨迹的筛分设备,又名煤用单轴振动筛,一般由筛箱、振动器、弹簧等部分组成。因为这类振动筛经常应用在矿业相关行业的筛分作业中,因而得名矿用单轴振动筛。经过抖阴免费看污视频机械公司多年的研究改良,目前生产的DD、ZD系列矿用/煤用单轴振动筛具有更强大的功能和优点,结构更合理,动转更平稳,连续工作性能更稳定等优点。
     
    单轴振动筛

    产品优势

    1、结构简单,运转平稳,坚固耐用;
         2、激振力强、电耗低、噪音小;
         3、采用小振幅,高频率,大倾角结构,使该设备筛分效率高、处理量大;
         4、零部件通用性强,维修方便,使用寿命长。


    矿用振动筛

    单轴振动筛原理

      单轴振动筛有一个十分牢靠的筛箱,因为其结构是焊接及铆接而成,在振动器的主轴上不仅中间位置有偏心轴,而且主轴两头也有能够调节的偏心轮。在筛分时,电动机经由三角带作用于振动器,传动轴使偏心轴及偏心轮产生惯性力,这种惯性力会令筛箱作近似的圆形的运动,使物料得到了佳的筛分效果。

    单轴振动筛工作原理图

    技术参数

    型号 筛网 给料粒度
    (mm)
    生产能力
    (t/h)
    振动频率
    (l/min)
    双振幅
    (mm)
    电动机 安装
    形式
    总重
    (kg)
    层数 面积
    (㎡)
    筛孔尺寸
    (mm)
    筛网
    结构
    型号 功率(kw)
    DD918 1 1.6 1-25 钢丝编织 ≤60 10-30 1000 5-6 Y100L-4 2.2 吊式 440
    2DD918 2 1.6 1-25 钢丝编织 ≤60 10-30 1000 5-6 Y100L-4 2.2 吊式 600
    DDM1235 1 4 500-100 钢丝编织 ≤400 150-210 920 6 Y132S-4B3 5.5 吊式 2112
    DDM1556 1 8 25-50 冲孔 ≤400 400 920 6-8 Y160M-4B3 11 吊式 3376
    2DDM1556 2 8 上25-100
    下6-25
    上冲下编 ≤400 上90-450
    下30-90
    1000 6 Y180M-4 18.5 吊式 5096
    DDM1740 1 7 50-100 冲孔 ≤400 240-360 920 5-7 Y132M-4B3 7.5 吊式 3092
    DDM1756 1 9.5 25-50 冲孔 ≤400 270-540 920 5-7 Y160T-4B3 15 吊式 3995
    DDM2056 1 11 25-125 冲孔 ≤400 300-1100 920 6-8 180M-4B3 18.5 吊式 4599
    2DDM2056 2 11 上25-100
    下6-25
    冲孔 ≤400 120-600
    40-120
    1000 6-8 Y180M-4 18.5 吊式 5650
    ZD918 1 1.6 1-25 编织 ≤60 10-30 1000 6 Y100L-4 2.2 吊式 553
    2ZD918 2 1.6 1-25 编织 ≤50 10-30 1000 6 Y100L-4 2.2 座式 702
    ZD1224 1 2.9 6-40 编织 ≤100 70-210 1000 0-7 Y112M-4 4 座式 1130
    2ZD1224 2 2.9 6-40 编织 ≤100 70-210 850 0-7 Y112M-4 4 座式 1545
    ZD1224J 1 2.9 上11×42
    下26×35
    橡胶 ≤100 70-210 850 3.5 Y112M-4 4 座式 1086
    2ZD124J 2 2.9 上13×42
    下48×58
    橡胶 ≤100 70-210 800 3.5 Y112M-4 4 座式 1637
    ZDM1235 1 4 50-100 冲孔 ≤400 150-210 920 7 Y132-4B3 5.5 座式 2235
    ZD1530 1 4.5 6-50 钢丝编织 ≤100 90-270 920 6-7 Y132S-4 5.5 座式 1650
    2ZD150 2 4.5 6-50 钢丝编织 ≤100 90-270 850 6-7 Y132S-4 5.5 座式 2260
    ZD153J 1 4.5 11×42 橡胶 ≤150 90-270 850 7 132-4 5.5 座式 2260
    2ZD1530J 2 4.5 上13×42
    下48×58
    橡胶 ≤100 90-270 850 7 Y132S-4 5.5 座式 2653
    ZD1540 1 6 650 钢丝编织 ≤100 90-270 850 7 Y132M-4 7.5 座式 2070
    2ZD1540 2 6 6-50 钢丝编织 ≤100 90-270 850 7 Y132M-4 7.5 座式 2850
    ZDM1556 1 8 25-50 冲孔 ≤400 225-450 920 6-8 Y160m-4 11 座式 3611
    2ZDM1556 2 8 上25-50
    下6-25
    冲孔 ≤400 30-300 1000 6-8 Y180m-4B3 18.5 座式 5347
    ZDM1740 1 7 50-100 冲孔 ≤400 270-400 920 5-7 Y132M-4B3 7.5 座式 3224
    ZDM1756 1 9.5 25-50 冲孔 ≤400 270-540 920 5-7 Y160L-4B3 15 座式 4027
    ZD1836 1 9.5 6-50 编织 ≤150 100-300 850 7 Y160M-4 11 座式 160
    ZDM2056 1 11 13-125 编织 ≤400 100-1000 920 6-8 Y180M-4 18.5 座式 5991
    2ZDM2056 2 11 上25-100
    下6-25
    上冲下编 ≤400 120-600 1000 6-8 Y180M-4B3 18.5 座式 5891
    2ZDM2056G 2 11 上25-100
    下0.75
    上编下条 ≤400 200-400 800 6.7 Y180M-4B3 18.5 座式 9864
    ZD2160 1 12. 10-5 橡胶 ≤150 100-300  900 8 Y180L-4 22 座式 6529
    ZD1836J 1 6.5 上43×58
    下87×104
    橡胶 ≤150 100-300 850 7 Y160M-4 11 座式 475
     注:以上单轴振动筛型号尺寸为标准机型,如用户有特殊要求可量身定做。

    产品型号标识:


    单轴振动筛型号标识图
     
    产品结构:
     
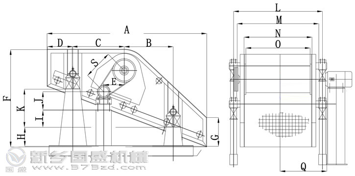
    单轴振动筛结构图

    尺寸对照

    单轴振动筛结构图

    型号 A B C D E F G H I J K L M N O Q S
    ZD1224 2400 750 750 350 320 1334 457 234 0 374 546 1656 1712 1456 1340 1011 567
    ZD1530 3000 900 900 546 470 1556 479 206 52 374 655 2136 2012 1756 1640 1190 670
    ZD1540 4000 1358 1312 663 530 2028 479 280 332 402 972 2156 2032 1756 1640 1191 761
    ZD1836 3600 1200 120 476 530 1807 465 328 190 402 8735 2456 2332 2056 1940 1386 761
    ZD2160 6000 1950 1950 900 788 3035 857 535 0 480 1955 3140 2852 2420 2240 1665 1344

    产品维护

    1、检查全部螺栓的紧固程度,并且在初工作8h后,重新紧固一次;
         2、检查V型带的张紧力,避免在起动或工作中打滑,并且确保V型带轮的对正性;
         3、确保所有运动件与固定物之间的
    小间隙;
         4、筛子应在没有负荷的情况下起动,待筛子运行平稳后,方能开始给料,停机前应先停止给料,待筛面上的物料排净后再停机;
         5、给料溜槽应尽可能靠近给料端,并尽可能沿筛子全宽均匀给料,其方向与筛面上物料运行方向一致,从而得到
    佳的筛分效果。给料点到筛面的大落差不大于500mm,确保物料对筛面的小冲击;
         6、激振器顺向流料方向回转时,增加物料运行速度,可增加生产能力,但降低筛分效率;当激振器逆向流料方向回转时,减小物料运行速度,降低生产能力,可提高筛分效率。

    客户案例

    摇摆式振动筛发货走起
    摇摆式振动筛发货走起

    加工物料:

    生产能力:

    设备配置:

    查看详情
    不锈钢长方形直线筛发货
    不锈钢长方形直线筛发货

    加工物料:

    生产能力:

    设备配置:

    查看详情
    化工原料不锈钢滚筒筛
    化工原料不锈钢滚筒筛

    加工物料:化工原料

    生产能力:≤800t/h

    设备配置:不锈钢滚筒筛

    查看详情
    建筑垃圾再生处理生产线
    建筑垃圾再生处理生产线

    加工物料:建筑垃圾

    生产能力:≤100m³h

    设备配置:圆盘给料机

    查看详情

    推荐产品

    

    新乡市抖阴免费看污视频机械设备有限公司 豫ICP备45452445号-2 技术支持新乡志远网络公司  地 址:新乡市长济高速西出口

    .getElementsByTagName("script")[0]; s.parentNode.insertBefore(bp, s); })();
    在线咨询
    索要报价
    销售热线

    销售热线:18637334419

    网站地图